left

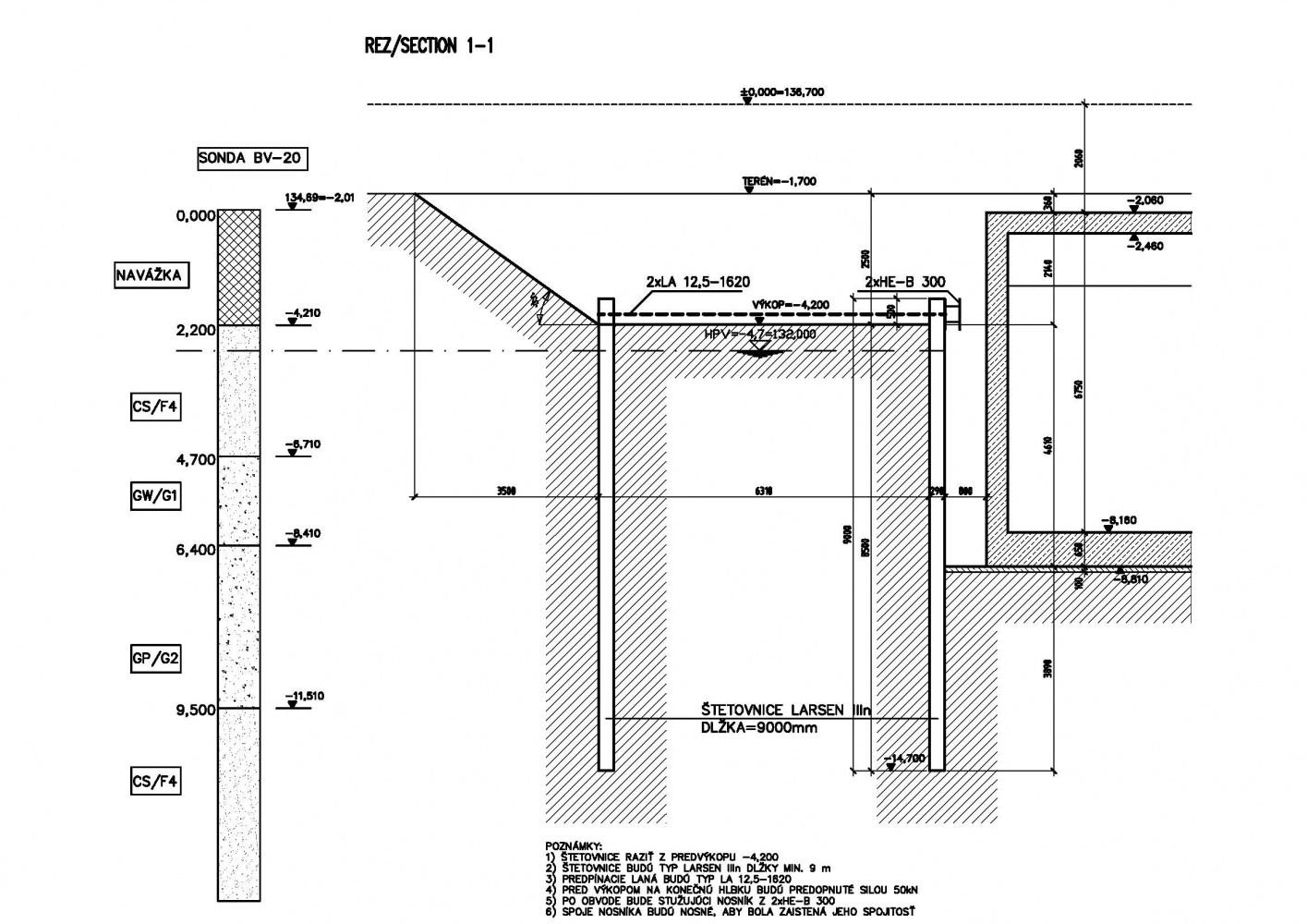
Polus, shopping centre Deep foundation and retaining walls

right
nazov

Level: execution project
Year: 2000

Structural design: Konstrukt plus, s.r.o

Characteristic: sheet pile underground walls