Deep foundation and retaining walls
-
Pile-slab foundation Zuckermandel - foundation
-
Micropile foundation Mondi - Mikropiles
-
Pile foundation Sylex
-
Pile foundation Residential Complex Machnáč
-
Nailed slopes Residential Complex OLIVE
-
Sheet pile walls Polus, shopping centre
-
Pile-slab foundation LAKESIDE
-
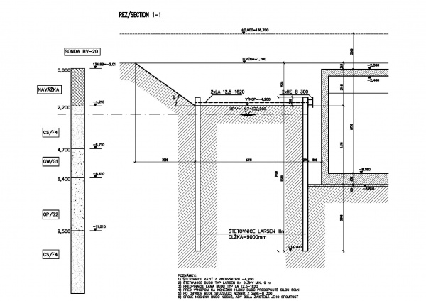
Retaining sheet pile walls WH Marianengasse